2 वे थ्रेडेड टाइटेनियम बॉल वाल्व
दबाव:150PS1
तापमान:0 डिग्री सेल्सियस - 1200 डिग्री सेल्सियस.
बॉडी, छाती: कास्ट आयरन एफजी 260, कास्ट स्टील ग्रेड डब्ल्यूसीबी, सीएफ8, सीएफ8एम का ठोस एक टुकड़ा कास्टिंग।
सीट: शरीर का अभिन्न अंग, मुलायम, वैकल्पिक
हैंड व्हील: कच्चा लोहा, कच्चा इस्पात, तन्य लोहा
ग्रंथि पैकिंग: PTFE, PTFE गर्भवती
2 वे बॉल वाल्व क्या है?
वाल्वों की दबाव क्षमता भी अलग-अलग होती है। आमतौर पर छोटे व्यास वाले वाल्व उच्च दबाव को संभालते हैं। दबाव क्षमता 150lb से 2500lb तक होती है।2 वे एक्चुएटेड बॉल वाल्वइसका उपयोग उन अनुप्रयोगों में किया जाता है जहाँ वाल्व को यांत्रिक या विद्युत संचालन के माध्यम से प्रवाह को विनियमित करना होता है। बॉल और वाल्व बॉडी के लिए उपयोग की जाने वाली सामग्री अंदर बहने वाली सामग्री और अपेक्षित दबाव के आधार पर भिन्न हो सकती है।
2-वे बॉल वाल्व एक प्रकार का वाल्व है जो एक साधारण डिज़ाइन के माध्यम से द्रव के प्रवाह को नियंत्रित करता है जिसमें एक गेंद होती है जिसके केंद्र में एक छेद होता है। यहाँ दी गई जानकारी के आधार पर इसकी मुख्य विशेषताओं का विवरण दिया गया है:
कार्यक्षमता: 2-वे बॉल वाल्व मुख्य रूप से वाल्व के अंदर बॉल को घुमाकर प्रवाह को शुरू करने, रोकने या विनियमित करने के लिए डिज़ाइन किया गया है। जब बॉल में छेद प्रवाह पथ (खुली स्थिति) के साथ संरेखित होता है, तो तरल पदार्थ गुजर सकता है। बॉल को 90 डिग्री घुमाने से प्रवाह अवरुद्ध हो जाता है (बंद स्थिति)।
दबाव क्षमताये वाल्व अलग-अलग दबाव रेटिंग में उपलब्ध हैं, आमतौर पर 150lb से 2500lb तक। दबाव रेटिंग अधिकतम दबाव को इंगित करती है जिसे वाल्व बिना लीक या विफल हुए सुरक्षित रूप से संभाल सकता है।
प्रवर्तन: जबकि कुछ 2-वे बॉल वाल्व मैन्युअल रूप से संचालित होते हैं (हाथ से संचालित), अन्य को यांत्रिक या विद्युत रूप से सक्रिय किया जा सकता है। सक्रिय बॉल वाल्व वाल्व के खुलने और बंद होने को स्वचालित करने के लिए मोटर, वायवीय एक्ट्यूएटर या इलेक्ट्रिक एक्ट्यूएटर का उपयोग करते हैं। यह उन अनुप्रयोगों में उपयोगी है जहाँ दूरस्थ संचालन, सटीक नियंत्रण या स्वचालन की आवश्यकता होती है।
सामग्रीबॉल और वाल्व बॉडी के लिए सामग्री का चयन विशिष्ट अनुप्रयोग आवश्यकताओं पर निर्भर करता है, जिसमें वाल्व के माध्यम से बहने वाले तरल पदार्थ का प्रकार और अपेक्षित दबाव की स्थिति शामिल है। आम सामग्रियों में स्टेनलेस स्टील, कार्बन स्टील, पीतल, कांस्य और विभिन्न मिश्र धातु शामिल हैं। चयन तरल पदार्थ के गुणों और जंग या पहनने के प्रतिरोध के साथ संगतता सुनिश्चित करता है।
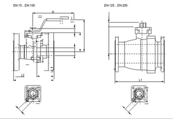
उत्पाद विनिर्देश:क्लास 150 2 वे बॉल वाल्व आयाम

| डीएन | L1 | L2 | H1 | H2 | H3 | R | आईएसओ 5211 | U | फ्लैंज ड्रिलिंग | वज़न |
| [मिमी] | [मात्रा] | [किलोग्राम] | ||||||||
| 15 | 108 | 41.5 | 50 | 11 | 92 | 180 | F05 | 11 | 4 | 2 |
| 20 | 117 | 48.5 | 53.5 | 11 | 92.5 | 180 | F05 | 11 | 4 | 2.5 |
| 25 | 127 | 54 | 58.5 | 14 | 100.5 | 180 | F05 | 14 | 4 | 3.4 |
| 32 | 140 | 67 | 71 | 14 | 113 | 180 | F05 | 14 | 4 | 4.7 |
| 40 | 165 | 84 | 76 | 17 | 122.5 | 300 | F07 | 17 | 4 | 7.2 |
| 50 | 178 | 90 | 83.5 | 17 | 130 | 300 | F07 | 17 | 4 | 10 |
| 65 | 190.5 | 92.5 | 95 | 17 | 141.5 | 300 | F07 | 17 | 4 | 14.7 |
| 80 | 203 | 94.2 | 113 | 22 | 194.5 | 400 | F10 | 22 | 4 | 20.4 |
| 100 | 229 | 114.5 | 131 | 22 | 212.5 | 400 | F10 | 22 | 4 | 31.3 |
| 125 | 325 | – | 151.5 | 22 | – | 700 | F10 | 22 | 8 | 52 |
| 150 | 394 | – | 217 | 37 | – | 700 | F14 | 36 | 8 | 74 |
| 200 | 457 | – | 252 | 37 | – | 700 | F14 | 36 | 8 | 100 |
वर्ग 300 2 वे बॉल वाल्व की आयाम तालिका
| डीएन | L1 | L2 | H1 | H2 | H3 | R | आईएसओ 5211 | U | फ्लैंज ड्रिलिंग | वज़न |
| [मिमी] | [मात्रा] | [किलोग्राम] | ||||||||
| 15 | 140 | 73.5 | 50 | 12 | 92 | 180 | F05 | 11 | 4 | 2.5 |
| 20 | 152 | 83.5 | 58.7 | 11 | 97.7 | 180 | F05 | 11 | 4 | 3.6 |
| 25 | 165 | 92 | 62 | 14 | 104 | 180 | F05 | 14 | 4 | 4.5 |
| 32 | 178 | 105 | 71 | 15 | 117 | 180 | F05 | 14 | 4 | 6.1 |
| 40 | 190 | 109 | 78 | 15 | 124.5 | 300 | F07 | 17 | 4 | 9.7 |
| 50 | 216 | 128 | 84.5 | 17.5 | 135 | 300 | F07 | 17 | 8 | 11.6 |
| 65 | 241 | 143 | 95.5 | 16.5 | 142 | 300 | F07 | 17 | 8 | 17 |
| 80 | 282.5 | 173.7 | 113 | 22 | 198.5 | 400 | F10 | 22 | 8 | 25.1 |
| 100 | 305 | 190.5 | 131 | 23.5 | 216.5 | 400 | F10 | 22 | 8 | 43.1 |
| 150 | 403 | – | 217 | 37 | – | 700 | F14 | 36 | 8 | 124 |
| 200 | 502 | – | 252 | 37 | – | 700 | F14 | 36 | 8 | 180 |
2 वे बॉल वाल्व की विशेषताएं:
प्रवाह नियंत्रण: 2-वे बॉल वाल्व का प्राथमिक कार्य तरल पदार्थ के प्रवाह को नियंत्रित करना है। वाल्व के अंदर बॉल को घुमाकर, प्रवाह पथ को खोला या बंद किया जा सकता है। यह पूर्ण प्रवाह से लेकर पूर्ण शट-ऑफ तक तरल प्रवाह के सटीक विनियमन की अनुमति देता है।
सरल डिजाइन: वाल्व में एक गोलाकार गेंद होती है जिसके केंद्र में एक छेद होता है। जब छेद वाल्व के सिरों के साथ संरेखित होता है, तो तरल पदार्थ बहता है; जब 90 डिग्री घुमाया जाता है, तो प्रवाह अवरुद्ध हो जाता है। यह सरलता 2-वे बॉल वाल्व को संचालित करना और रखरखाव करना आसान बनाती है।
बहुमुखी प्रतिभाये वाल्व बहुमुखी हैं और गैसों, तरल पदार्थों और घोल सहित कई प्रकार के तरल पदार्थों को संभाल सकते हैं। इनका उपयोग तेल और गैस, रासायनिक प्रसंस्करण, जल प्रबंधन, HVAC, और अन्य जैसे उद्योगों में किया जाता है।
मैनुअल और एक्चुएटेड विकल्प: 2-वे बॉल वाल्व मैनुअल और एक्चुएटेड दोनों संस्करणों में आते हैं:
नियमावलीहाथ से संचालित वाल्वों को प्रवाह को नियंत्रित करने के लिए लीवर या हैंडव्हील का उपयोग करके मैन्युअल रूप से घुमाया जाता है।
का हाथ: सक्रिय वाल्व स्वचालित संचालन के लिए वायवीय, विद्युत या हाइड्रोलिक एक्ट्यूएटर का उपयोग करते हैं। यह रिमोट कंट्रोल, स्वचालित प्रणालियों में एकीकरण और सटीक प्रवाह प्रबंधन की अनुमति देता है।
दबाव और तापमान रेटिंगये वाल्व विभिन्न दबाव रेटिंग में उपलब्ध हैं, आमतौर पर कम से लेकर उच्च दबाव अनुप्रयोगों तक। इसी तरह, वे निर्माण में उपयोग की जाने वाली सामग्रियों के आधार पर तापमान की एक विस्तृत श्रृंखला को संभाल सकते हैं।
सामग्री विकल्प: वाल्व बॉडी और बॉल के लिए सामग्री अनुप्रयोग आवश्यकताओं के आधार पर भिन्न होती है। आम सामग्रियों में स्टेनलेस स्टील, पीतल, कांस्य, कार्बन स्टील और विभिन्न मिश्र धातु शामिल हैं। सामग्री का चयन नियंत्रित किए जा रहे द्रव के साथ संगतता और जंग या पहनने के प्रतिरोध को सुनिश्चित करता है।
सीलिंग तंत्र2-वे बॉल वाल्व की सीलिंग प्रणाली में आमतौर पर PTFE (टेफ्लॉन), RPTFE (प्रबलित PTFE), या धातु जैसी सामग्रियों से बनी सीटें शामिल होती हैं, जो तंग शट-ऑफ और न्यूनतम रिसाव सुनिश्चित करती हैं।
कम रखरखावउनके मजबूत निर्माण और न्यूनतम गतिशील भागों के कारण, 2-वे बॉल वाल्वों को आम तौर पर कम रखरखाव की आवश्यकता होती है, जिससे वे द्रव नियंत्रण के लिए लागत प्रभावी समाधान बन जाते हैं।
2 वे बॉल वाल्व विनिर्देश चार्ट:
| आकार | 50एनबी - 600एनबी |
|---|---|
| दबाव | 150पीएस1 |
| तापमान | 0 डिग्री सेल्सियस - 1200 डिग्री सेल्सियस. |
| शरीर , छाती | कास्ट आयरन एफजी 260, कास्ट स्टील ग्रेड डब्ल्यूसीबी, सीएफ8, सीएफ8एम की ठोस एक टुकड़ा कास्टिंग। |
| सीट | शरीर का अभिन्न अंग, कोमल, वैकल्पिक। |
| कड़े छिलके वाला फल | पीतल |
| घोड़े का अंसबंध | प्लेट प्रकार एम.एस. |
| ग्रंथि अनुयायी | कच्चा लोहा, कच्चा इस्पात, तन्य लोहा, CF8,CF8M. |
| हाथ पहिया | कच्चा लोहा, कच्चा इस्पात, तन्य लोहा |
| ग्लैंड पैकिंग | PTFE, PTFE संसेचित |
| समाप्त होता है | लुग्ड |
| पत्तन | मानक [गोल], वैकल्पिक वी पोर्ट, डायमंड पोर्ट,. |
लोकप्रिय टैग: 2 रास्ता पिरोया टाइटेनियम गेंद वाल्व, चीन, निर्माताओं, आपूर्तिकर्ताओं, कारखाने, अनुकूलित, कम कीमत, स्टॉक में, चीन में बनाया गया
शायद तुम्हे यह भी अच्छा लगे
जांच भेजें










